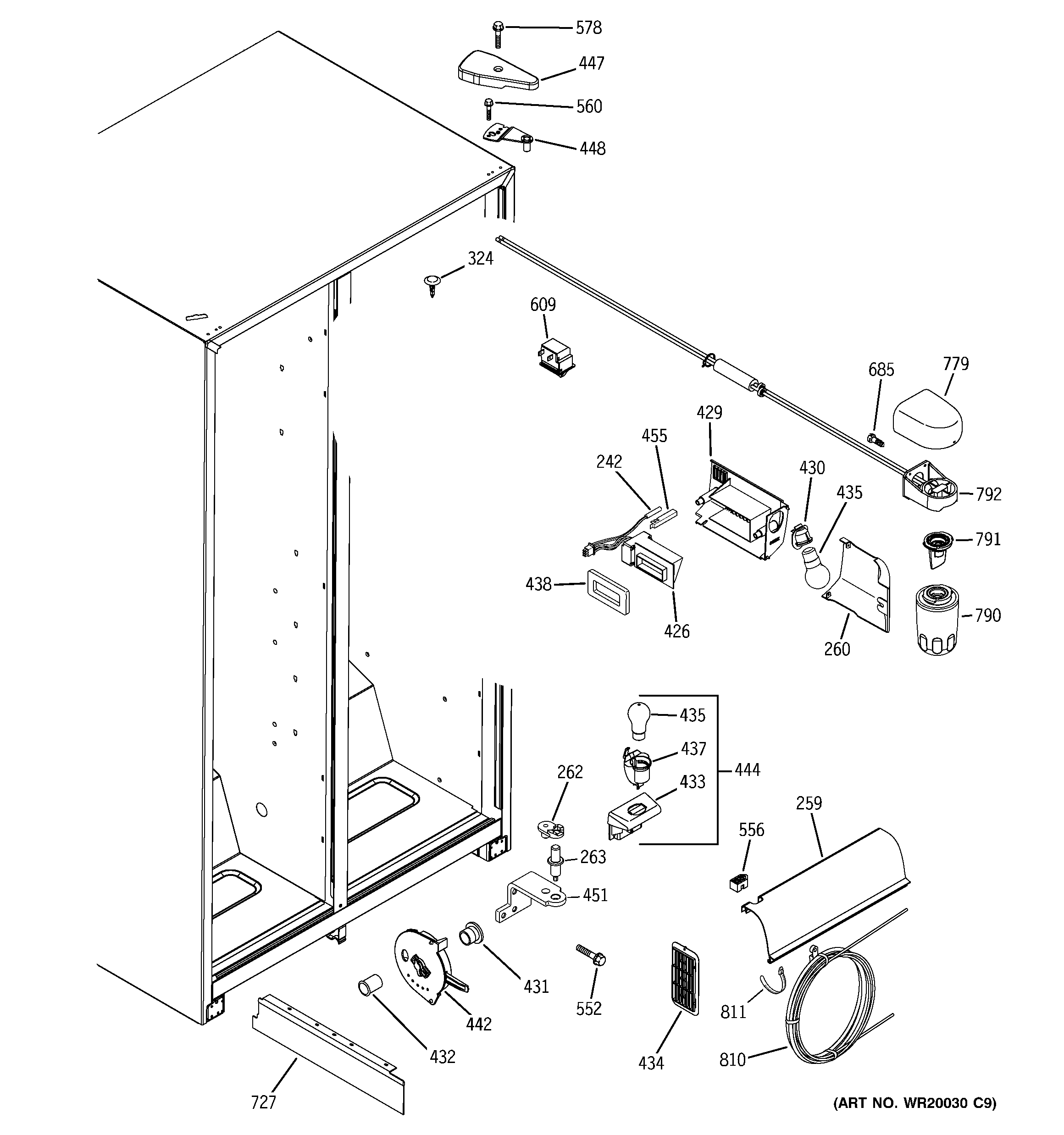
Sections of the gsh25jstass [viewing 8 of 8]. Refrigerator icemaker kit, the kit includes the fill cup, 4.
The instructions below from diyers like you.
Ge gsh25jsta ss ice maker. Not dispensing water is the 5th most common symptom for general electric gsh25jstass. 69 3/4 h x 35 3/4 w x 33. Genuine product manufactured by ge.
Refrigerator icemaker kit, the kit includes the fill cup, 4. I have a ge side by side refrigerator model gsh25jstass that after a power outage is not cooling on either side the inside lights come on but the front control for the ice maker. 365 days to return any part.
Benefits of ge appliances service. Genuine product manufactured by ge. Genuine product manufactured by ge.
Step by step diy instructions & videos for troubleshooting your general electric refrigerator gsh25jstass. We sell only genuine ge parts popular parts. Genuine oem part # wr30x10093 | rc item # 1399596.
Ice maker & dispenser (gsh25jstass) 40 results see parts list. The first time that it quit, i first used a. Imwf $ 41.50 6 month timer for refrigerator filters.
Ice dispenser bucket auger for general electric gsh25jstass ice maker not making ice. Get your general electric parts fast. Ice maker fill cup for ge gsh25jstass refrigerator.
Mwfp3pk $ 134.75 stainless steel cleaner & polisher. We bought a ge refrigerator model gsh25jsta ss (serial number gm 214667) and it has become a money pit. Mwfp3pk $ 134.75 stainless steel cleaner & polisher.
Ice dispenser bucket auger for general electric gsh25jsdbss ice maker not making ice. When we first bought it in 2007 the ice maker malfunctioned and cracked. The instructions below from diyers like you.
The ice maker works fine, but the water dispenser continues to have issues. Kit includes ice maker, 4 pin round plug in connector, 6 Ge refrigerator ice maker assembly.
At ge appliances, our goal is to ensure your satisfaction, while offering the highest levels of professional service at affordable and competitive rates. This water inlet valve (refrigerator water inlet valve assembly) supplies water to the ice maker and the water dispenser in your. Removes or reduces lead, cysts, asbestos, atrazine, , taste and odor, chlorine, sediment, turbidity, and more in your water and ice according to nsf/ansi 42 standards.
Sections of the gsh25jstass [viewing 8 of 8]. Ice maker water line for ge gsh25jstass refrigerator. Ice maker assembly kit for ge gsh25jstass refrigerator.
Here is a tip on how i trouble shoot and actually replace (easy) my ice maker. It takes less than 15 minutes to fix on average. Parts that fix gsh25jstass ice maker not making ice use this list to determine which repair part you need.
External temperature controls with child lock. Hey guys, i went through a struggle this week because my ice maker failed.