Kenmore 20 porcelain plus refrigerator. Kenmore 20 porcelain plus refrigerator.
Whenever choosing equipment, be sure that it may.
Kenmore 20 porcelain plus refrigerator. 190 of 547) sold for: $35.00 to b****3 tax, shipping & handling. It seems to be all fine except that the freezer is not forming ice and thus not keeping a cool enough.
This classic kenmore 20.4 cu. Kenmore 20 porcelain plus refrigerator. Buy on sears.com find a store.
Almond kenmore 20 porcelain plus refrigerator freezer, missing 1 vegetable. Item # a013686731 model # 70087. My fridge is about 20 years.
The style of the refrigerator fridge. Whenever choosing equipment, be sure that it may. Open 7 days a week.
Kenmore 26 porcelain plus refrigerator. Get free help, tips & support from top experts on replace light bulb kenmore 20 porcelain ref related issues. To receive warranty coverage of the equipment, you must.
It is a kenmore 20 porcelain plus. The popularity of kenmore 22 porcelain plus refrigerators has made them worthy of their own space available in the market, where different types of this same equipment are traded. Kenmore 20 porcelain plus refrigerator year.
Unsolved problems for replace light bulb kenmore 20 porcelain ref question. Kenmore warranty revised 23 december 2020 note: My fridge is not cooling properly.
View item in catalog lot #190 (sale order: Why does kenmore 20 porcelain plus has water collecting below drawers in the fridge section. This video will show you how to remove the freezer light bulb cover in your kenmore refrigerator.
You must take into consideration a few key aspects, just before deciding to shop for a freezer or fridge: Combine function with style with kenmore refrigerators. A refrigerator works hard and silently without much notice from the residents in the house.
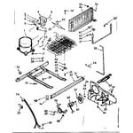
The refrigerator model number is usually located in the refrigerator or freezer side wall, behind the crisper, behind the kick plate, or on the fridge ceiling. Kenmore 20 porcelain plus refrigerator parts. It�s pretty easy to do, but not breaking the plastic ligh.
Need help replacing the light bulb socket (part 4387478) in your kenmore refrigerator? A huge capacity refrigerator with the energy efficiency and convenience of a lower fre. Unanswered questions for kenmore 20 porcelain plus refrigerator.