The door switch will activate if the dryer is closed. The extra voltage is needed to run the heating element of the.
I have gone through the complete troubleshooting sequence as identified in the tech sheet, part number(nnn) nnn.
Kenmore he3 dryer wont start. Turn off the electricity or unplug your dryer from the power. Why kenmore dryer won’t start. If the switch does not have continuity,.
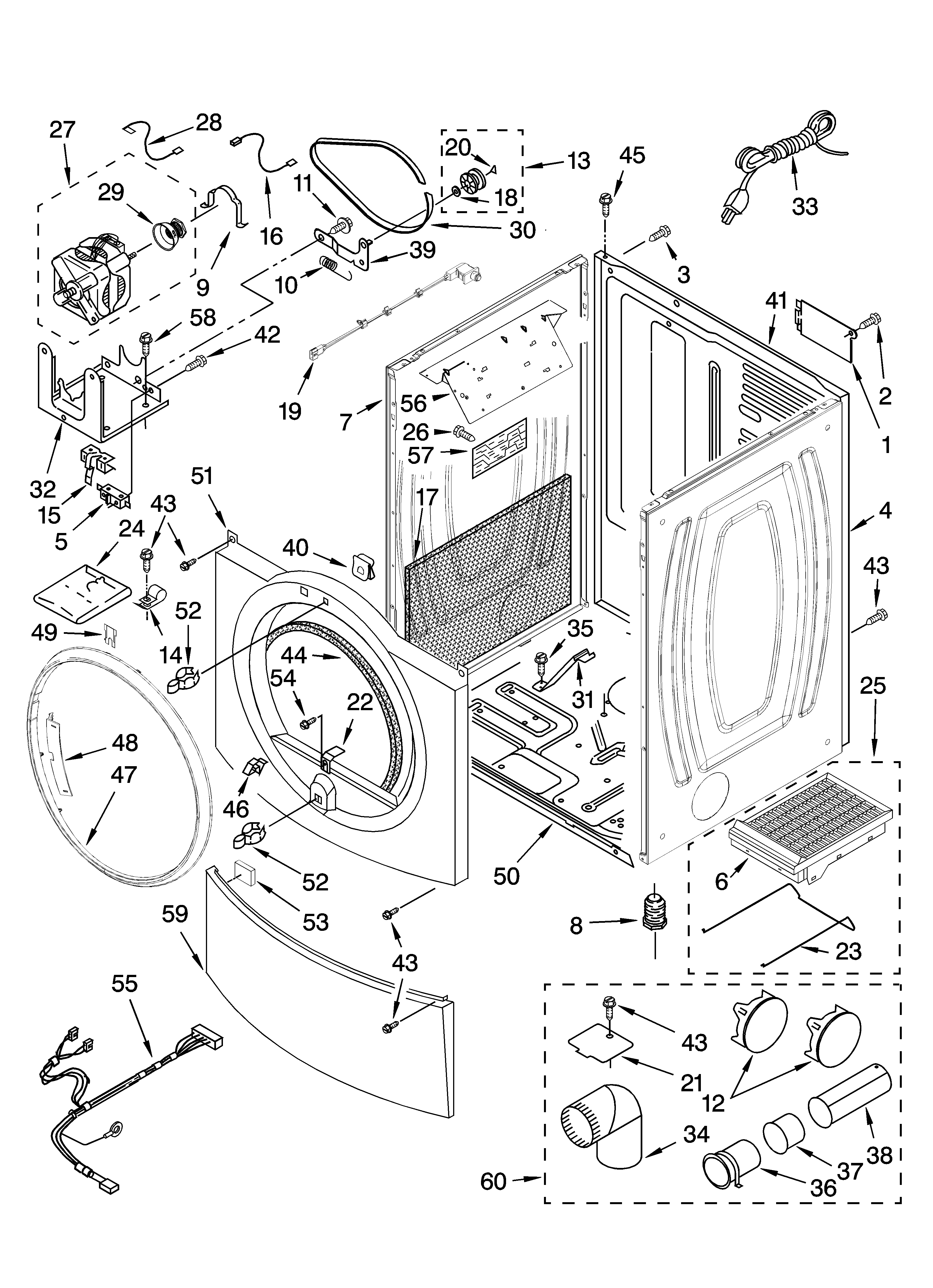
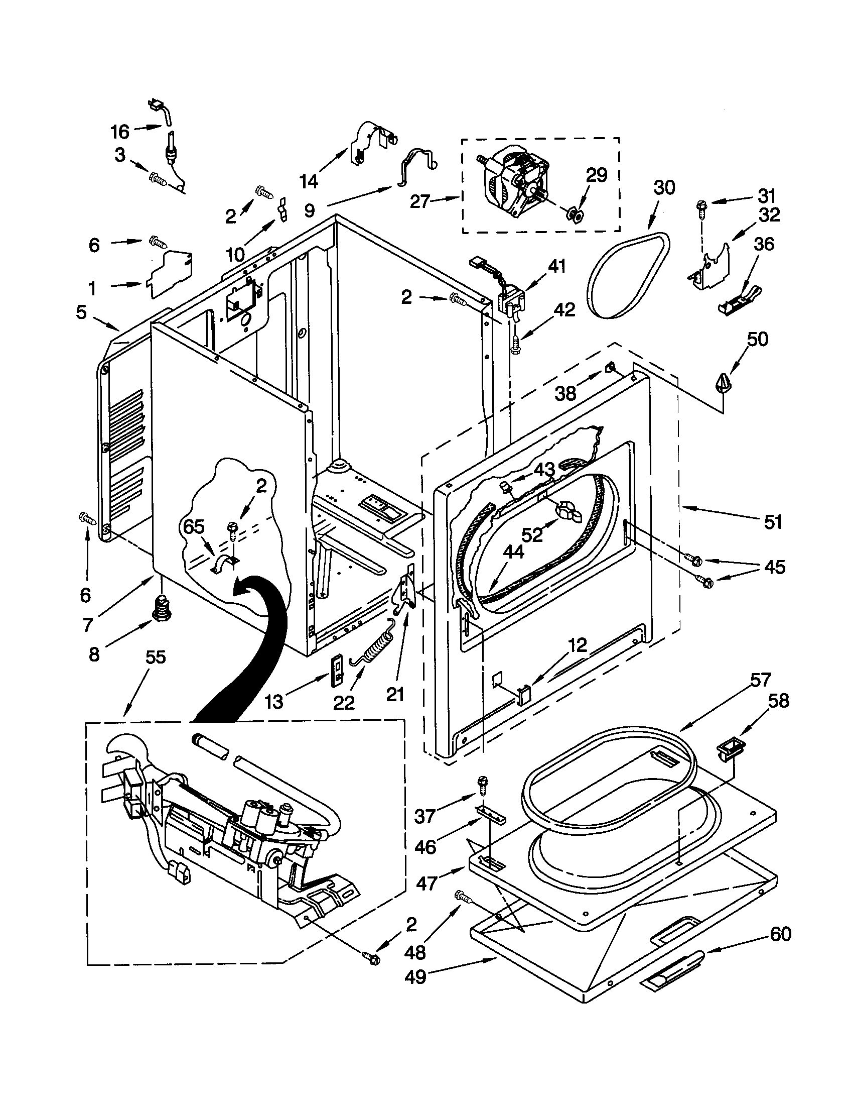
This video will show you what you need to check if you press the start button on your kenmore or whirlpool dryer and it does not start up. I have gone through the complete troubleshooting sequence as identified in the tech sheet, part number(nnn) nnn. Remove the screws from the back panel and lift the panel off.
First, make sure the power cord is plugged into a working outlet. The dryer either starts and runs fine for a minute or so and stops or just beeps when the start button is pushed. The thermal fuse is a safety device designed to protect the dryer from overheating.
The extra voltage is needed to run the heating element of the. Keeping vents and hoses regularly maintained can help prevent a dryer from overheating. Dryer wont start when i press start it will make a beep sound and that�s it.
The door switch will activate if the dryer is closed. I have a gas kenmore elite he3 dryer. Your towels are wet, but your kenmore dryer won�t start.
A number of things can cause a kenmore washer to act up. Step by step instructions on how to replace a idler pulley for kenmore 110.84832201 won�t start. Hi, i have a kenmore elite he3 dryer (model # 110.84836201) which has stopped working all of a sudden.
If the dryer does not respond or make any noise, the start switch could be at fault. It’s possible that the kenmore dryer is lit up but won’t start, but before you dive into. It seems to heat fine.
Check the electrical service panel. Most dryers require 240 volts to operate, with two circuit breakers at 120 volts each. How to replace idler pulley for kenmore 110.84832201 won�t start #ap3094197.
My kenmore elite he3 electric dryer won�t start. When the dryer fails to respond, the start switch isn’t at fault. If it turns out that the dryer vent has been clogged for some time, a technician can test the thermal.
The thermal fuse is a safety device designed to protect the dryer from overheating. When i pick a cycle, the time duration appears (e.g, 44 minutes) on the. If the door switch makes a clicking sound, it probably means that it is not defective.
Start the machine and listen for the “click.”. Use a multimeter to test the start switch for continuity. If a kenmore dryer’s start switch button is constantly engaged but the machine won’t turn on, it.
Locate the thermal fuse (follow the wires).