My kitchenaid electric dryer will not start. We make fixing things easier!
To start a drying cycle, ensure the dryer door is fully closed and the dryer door latch has engaged.
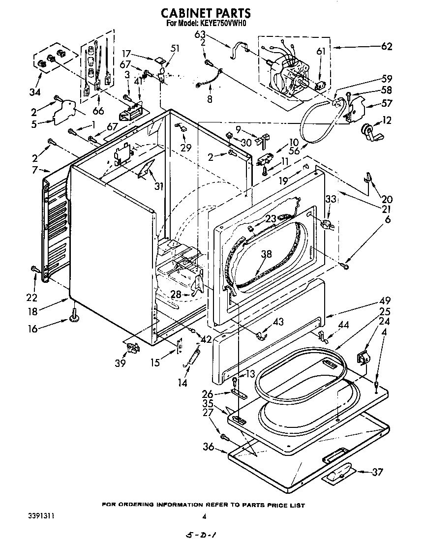
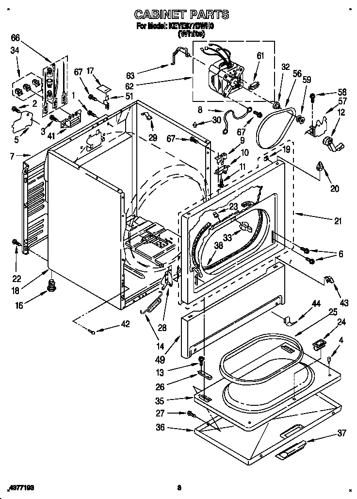
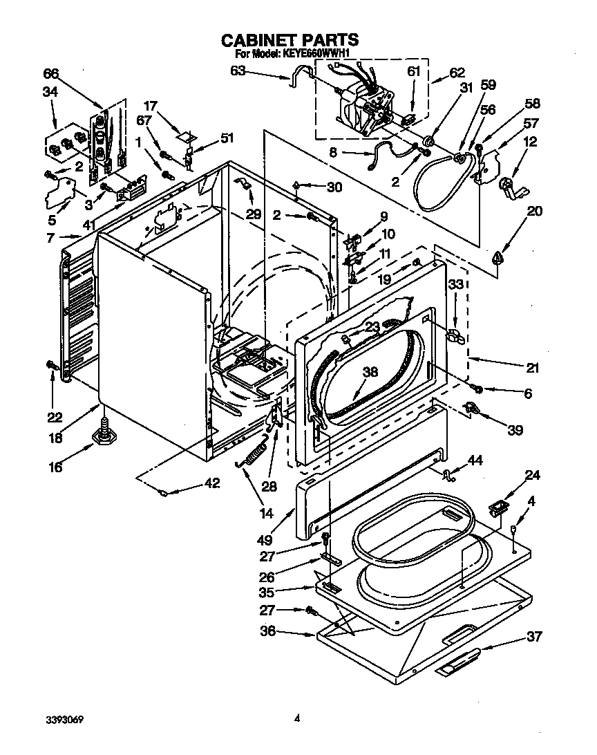
Kitchen aid dryer wont start. Dryer drive motor for kitchenaid kgys850lq1 won�t start. Step by step instructions on how to replace a whirlpool dryer belt for kitchenaid. Whirlpool dryer belt for kitchenaid keys850lq2 won�t start.
4 rib.this belt fits most whirlpool made dryers (whirlpool, kenmore with prefix 110, roper,. My 1993 kitchenaid dryer stopped working in the middle of a cycle. Delayed wash option is selected.
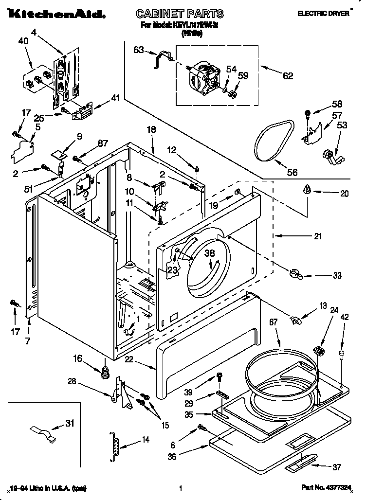
Dishwasher is in sleep mode. Step by step instructions on how to replace a idler pulley for kitchenaid kehs01pwh2 won�t start. If you are in search of a reliable appliance repair company, we can be.
My kitchenaid electric dryer will not start. 4 rib.this belt fits most whirlpool made dryers (whirlpool, kenmore with prefix 110,. For additional product tips and troubleshooting please visitwhirlpool�s product help page:
To start a drying cycle, ensure the dryer door is fully closed and the dryer door latch has engaged. When the start button is pushed i can hear a hum that power it going to it,. How to replace whirlpool dryer belt for kitchenaid keye670bwh2 won�t start #ap2946843.
En español live chat online. There are several reasons why your kitchenaid dishwasher not starting or not operating: Whirlpool dryer belt for kitchenaid keys750jq1 won�t start.
If the dryer is heating but taking a long time to dry your clothes, the dryer likely has a lint blockage restricting the airflow. If the dryer has stopped heating altogether, there are a. One common problem with kitchenaid dryers is the drum stops turning.
The dryer door latch secures the door and automatically. How to replace idler pulley for kitchenaid kehs01pwh2 won�t start #ap3094197. Most appliances have a part that is designed to fail.
Appliancepartspros.com » appliance repair help » dryer repair » my kitchenaid electric dryer will not start. We make fixing things easier! Last night my dishwasher did not start.
My start switch got corroded and a. You can use a multimeter to test the wire leads connected to the motor if you. This is how i fixed my 6 month old kitchenaid.if you know the reboot code sequence please comment below.
I did some basic troubleshooting and was able to find the problem pretty quickly. If there are any problems with the element, call kitchenaid appliance repair professionals at once. We make fixing things easier!
The thermal fuse is a safety device designed to protect the dryer from overheating.